熱搜關鍵詞: 氟塑料磁力泵 內襯氟磁力泵 高低溫磁力泵 INNOMAG磁力泵 泓川氣動隔膜泵
摘 要:
磁力泵具有全密封、無泄漏、耐腐蝕的特點, 可有效解決化工裝置跑、冒、滴、漏的問題。概述了甲醇精餾裝置的工藝流程和磁力泵的特點, 針對磁力泵實際運行過程中出現的問題, 分析其原因并采取了相應的優化措施。改造后, 消除了磁力泵頻繁損壞的問題, 從而保證了甲醇生產裝置的長周期運行。
1、甲醇精餾工藝流程
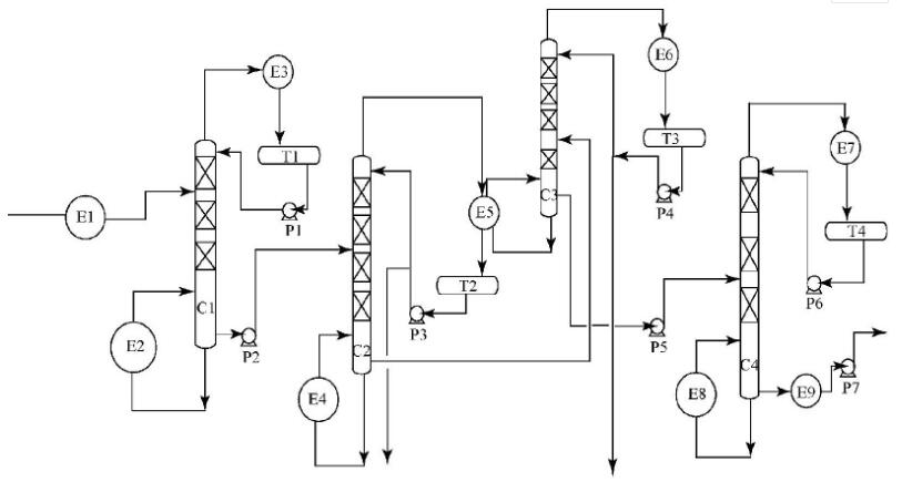
河南龍宇煤化工有限公司500 kt/a甲醇項目于2008年建成投產, 其中甲醇精餾裝置采用以規整填料為塔內件的三塔精餾工藝, 為了減少甲醇的損失, 增設了1座塔以回收污水中的甲醇, 故實際甲醇精餾為三加一塔流程。精餾用汽為低壓蒸汽, 為了降低能耗, 各塔再沸器蒸汽冷凝液的余熱用于預熱進料粗甲醇。精餾塔采用的槽式液體分布器和槽盤式液體分布器具有較好的抗堵和防夾帶能力, 整個甲醇精餾裝置具有壓降小、操作彈性大、分離效果好、甲醇產品質量高以及能耗低的特點[1]。為了改善現場環境, 提高環保效果, 有效解決化工裝置跑、冒、滴、漏問題, 甲醇精餾裝置采用工藝先進、全密封、無泄漏、耐腐蝕的高性能磁力泵作為介質輸送設備。三加一塔甲醇精餾工藝流程如圖1所示。
2、磁力泵
2.1 磁力泵概述
如圖2所示, 磁力泵由泵體、磁力傳動器、電動機三大部分組成, 關鍵部件磁力傳動器由外磁轉子、內磁轉子及不導磁的隔離套組成。磁力泵屬于泵領域的一個分支, 是一種將永磁聯軸的工作原理應用于離心泵的新產品。磁力泵應用廣泛, 主要應用于電腦水冷系統、汽車冷卻循環系統、空調機、化工等領域。
2.2 工作原理
當電動機帶動外磁轉子旋轉時, 磁場穿透空氣隙和非磁性物質, 帶動與葉輪相連的內磁轉子作同步旋轉, 實現動力的無接觸傳遞, 將動密封轉化為靜密封。由于泵軸、內磁轉子被泵體、隔離套完全封閉, 徹底解決了化工裝置跑、冒、滴、漏問題, 從而避免易燃、易爆、有毒、有害、異味介質的泄漏, 對改善現場環境效果明顯。

圖1 三加一塔甲醇精餾工藝流程
C1.預精餾塔C2.加壓精餾塔C3.常壓精餾塔C4.回收塔E1.預熱器E3, E6, E7, E9.冷卻器E2, E4, E5, E8.再沸器T1~T4.回流槽P1~P7.磁力泵

圖2 磁力泵結構簡圖 下載原圖
1.出口2.葉輪3, 8.滑動軸承4, 9.泵軸5.隔離套6.內磁缸7.外磁缸10.聯軸器11.驅動電機12.機座
2.3 磁力泵的優點
磁力泵通過磁力傳動來實現力矩的無接觸傳遞, 從而以靜密封取代動密封, 使泵完全無泄漏。內外轉子間可有較大的間隙, 由于隔離套的壁厚較厚 (采用非金屬隔離套時壁厚≤8 mm, 采用金屬隔離套時壁厚≤5 mm) , 隔離套被磨穿的可能性較小, 隔離套與內外磁轉子的間隙亦較大。磁力泵運行可靠, 因軸封磨損造成的內磁轉子與隔離套磨損的可能性很小。隔離套安裝、拆卸方便, 可在現場更換。可采用材質為碳化硅的軸承, 耐磨性良好, 使用壽命長。泵的轉速不受電機限制, 維護保養方便、易操作、體積小、效率高、運行噪聲小[2]。
3、磁力泵運行中存在的問題
河南龍宇煤化工有限公司甲醇精餾裝置共選用磁力泵7臺, 主要技術參數如表1所示。
在甲醇精餾裝置的運行過程中, 磁力泵多次出現內磁缸消磁、滑動軸承碎裂、隔離套泄漏、泵汽蝕等問題。
表1 磁力泵主要技術參數
下載原表

3.1 原因分析
(1) 由于開車初期甲醇精餾裝置負荷較低, 回流量及進料量均較小, 所以泵在運行時流量偏小, 甚至長時間在低于zui小流量的工況下運行, 泵內件得不到有效的潤滑或冷卻而導致損壞。
(2) 開車初期, 特別是長時間停車后再開車, 由于系統保護不當, 導致裝置管線或設備內出現銹蝕, 產生的鐵質雜質和顆粒雜質較多, 這些雜質進入磁力傳動器和軸承摩擦副而導致泵損壞。
(3) 由于泵入口過濾器存在缺陷, 鐵質雜質或顆粒雜質未能有效過濾, 同樣導致雜質進入磁力傳動器和軸承摩擦副而導致泵損壞[3]。
(4) 開車初期系統較臟, 泵入口過濾網極易堵塞, 因未及時清理堵塞的過濾網, 導致泵入口流量不足, 產生汽蝕而導致泵損壞。
(5) P2的滑動軸承易碎, 通過分析確定該泵存在設計缺陷, 即軸向推力不平衡, 導致泵運行期間軸向竄動較大, 軸承及泵葉輪口環易磨損。
3.2 改造措施
(1) 由于原始設計各泵均沒有回流管線, 在運行初期負荷較低時, 泵的運行均達不到額定zui小流量, 特別是P2和P4, 因其設計流量大, 極易損壞。為此, 對額定流量在100 m3/h的P1, P2和P4進行改造, 在其出口增設回流管線, 當工況需要泵在低流量工況下運行時, 開啟回流閥門, 從而保證泵的正常流量。
(2) 原泵入口過濾器為T型過濾器, 僅有180μm (80目) 過濾網, 只能單純過濾較大顆粒雜質, 對金屬類較小雜質不能有效濾除。為此, 在原T型過濾器中增設磁性棒, 可有效去除金屬雜質;將過濾絲網改為150μm (100目) , 從而避免雜質進入磁力傳動器和軸承摩擦副而導致泵的損壞。
(3) 增加過濾網清理頻次, 尤其是在開車初期的72 h內, 保證過濾網每隔8 h清理1次。加強泵的巡檢, 發現出口壓力波動時, 及時切泵清理濾網, 保證泵的穩定運行。
(4) 嚴禁介質抽空, 在泵出口閥關閉的情況下, 泵連續運轉時間不得超過2 min, 以防磁力傳動器過熱而失效。泵啟動之前, 對泵進行盤車以檢查磁力泵轉動是否靈活。啟動前徹底灌泵, 防止泵內有氣體積聚。
(5) 對P2泵葉輪后側開3個Ф4 mm對稱平衡孔以平衡軸向推力, 通過實際運行, 效果明顯。
4、結語
通過改造設備、改進工藝、調整泵運行模式等一系列優化措施的實施, zui終消除了磁力泵頻繁損壞的問題, 保證了泵的穩定運行, 從而確保了甲醇生產裝置的長周期運行, 降低了運行成本。
蘇州冠裕機電科技有限公司 版權所有備案號:蘇ICP備18067543號網站地圖